Tuesday, October 13, 2009

SERVIS SEPEDA MOTOR

SERVIS SEPEDA MOTOR

HONDA SUPRA



I. KESELAMATAN KERJA
1. Bersikap mawas diri terhadap kemungkinan terjadinya kecelakaan
2. Bekerja dengan sungguh-sungguh, cepat, teliti, dan tekun
3. Menghindari sikap melamun dalam bekerja
4. Usahakan untuk tidak ceroboh dalam bekerja
5. Istirahatlah bila sudah lelah dan bosan
6. Menghindari sikap bercanda dalam bekerja
7. Memahami prosedur kerja dan tidak mencoba-coba
8. Menggunakan alat pengaman dalam bekerja dan tindakan lainnya yang menunjang untuk
keselamatan dan kesehatan dalam bekerja.
II. SERVIS SEPEDA MOTOR
A. Langkah awal sebelum melakukan servis terhadap sepeda motor :
1. siapkan alat dan peralatan servis sepeda motor
2. periksa kondisi kendaraan
3. nyalakan mesin sepeda motor
4. dengarkan suara mesin, apakah ada suara mesin yang tidak normal
5. jika ada suara mesin yang tidak normal, cari dimana sumber suara tidak normalnya
6. nyalakan seluruh sistem penerangan dan klakson, periksa apakah ada yang tidak menyala.
B. Alat-alat yang dipergunakan :
1. Obeng ( - / + ) ukuran besar dan sedang
2. Kunci pas-ring 7
3. Kunci pas-ring 8
4. Kunci pas-ring 10
5. Kunci pas-ring 12
6. Kunci pas-ring 14
7. Kunci pas-ring 17
8. Kunci pas-ring 19
9. Kunci Inggris
10. Kunci T 8
11. Kunci T 10
12. Kunci T 12
13. Kunci busi
14. Feeler gauge (plat ukur)
15. Sikat kawat baja
16. Palu plastik
17. Tang
18. Amplas # 120
19. Kuas
20. Kompresor Kit
21. Kain lap
22. Oli gun

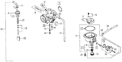
1. SERVIS KARBURATOR

Langkah Kerja Servis Karburator:

Melepas/membuka karburator dari sepeda motor :

- Buka baut-baut kap (cover/leg shield) kemudian lepaskan cover dari sepeda motor.(Gbr.1,
bagian F29).
- Lepaskan selang bahan bakar yang terhubung ke karburator, kemudian tutup agar bahan
bakar tidak mengalir.
- Buka dan lepaskan saringan udara (air cleaner (Gbr.5).
- Buka dan Lepaskan carburetor assy. (Gbr.2, no.10).
- Buka baut pengikat karburator dengan pipa saluran masuk bahan bakar (inlet pipe (Gbr.3)),
kemudian lepaskan karburator dari inlet pipe.

Over houl karburator :

- Buka dan lepaskan ruang pelampung (float chamber set (Gbr.2, no.5)).
- Buka dan lepaskan pelampung (float set (Gbr.2, no.3 & 13)).
- Buka dan lepaskan jet needle set (holder needle jet dan main jet (Gbr.2, no.2,14,24)).
- Buka dan lepaskan slow jet (Gbr.2, no.25).
- Buka dan lepaskan screw set (Gbr.2, no, 6 & 8).
- Bersihkan karburator dengan kuas dan bensin.
- Semprot dengan udara bertekanan (kompresor udara), pada lubang-lubang saluran dan jet
pada karburator sampai benar-benar bersih.
- Periksa dengan cermat dan teliti tiap komponen karburator, ganti jika rusak atau luka
bergaris-garis.
- Komponen karburator yang diperiksa antara lain:
a. Screw set (skrup pengatur bahan bakar dan udara)
b. Main Jet (saluran utama bahan bakar)
c. Slow Jet (saluran bahan bakar ketika mesin putaran langsam / stasioner)
d. Float (pelampung)
e. Needle valve (jarum Pelampung)
f. Throttle valve dan jet needle
g. Gasket dan O-ring
h. Lubang saluran bahan bakar (by pass dan pilot outlet)
- Setelah diperiksa rakit kembali tiap komponen karburator.

Pemeriksaan jarum pelampung :

- Bila diantara dudukan dan jarum terdapat benda asing, bahan bakar (bensin) akan terus
mengalir dan mengakibatkan banjir.
- Bila dudukan dan jarum sudah aus, gantilah kedua-duanya.
- Sebaliknya bila jarum tidak mau bergerak, maka bahan bakar tidak dapat turun.
- Bila jarum pelampung cacat seperti terlihat pada gambar di bawah, ganti dengan yang baru.

2. SERVIS SARINGAN UDARA

Langkah Kerja Servis Saringan Udara (Air Cleaner):

- Buka baut-baut pada saringan udara.

- Buka dan keluarkan elemen saringan udara (busa/urethane) dari kotak saringan udara.

- Cuci elemen dalam minyak solar atau minyak pembersih yang tidak mudah terbakar dan

biarkan sampai mengering.

- Celupkan elemen dalam minyak transmisi (SAE 80-90) dan peras keluar kelebihan minyak.

- Pasang kembali elemen dan tutup kembali kotak saringan udara.

- Ilustrasi urutan pencucian elemen saringan udara adalah seperti terlihat pada gambar di

bawah ini:

3. SERVIS BUSI

Langkah Kerja Pemeriksaan Dan Penyetelan Celah Busi :

- Buka busi dengan menggunakan kunci busi

- Bersihkan busi dengan mempergunakan sikat kawat dan cuci dengan bensin bila perlu,

kemungkinan ada kerak karbon pada elektroda busi.

- Setelah kondisi busi bersih, setel celah busi dengan menggunakan alat ukur feeler gauge

dengan ukuran antara 0,3 - 0,7 mm.

- Periksa keadaan insulatornya, ganti busi jika rusak atau retak.

Langkah Kerja Pemeriksaan Kondisi Api Busi :

- Busi yang sudah bersih kondisinya, periksa dan setel celahnya, kemudian hubungkan dengan

kepala ujung kabel busi.

- Tempelkan busi pada kepala silinder.

- Kunci kontak posisi ON, dan kick starter diinjak sambil memperhatikan warna dan

bersarnya bunga api yang keluar dari busi.

- Bila warna apinya biru dan besar, maka berarti busi dalam keadaan baik. Namun jika warna

apinya terlihat kemerah-merahan dan kecil, berarti busi sudah tidak baik dan perlu segera

diganti dengan busi yang baru.

- Setelah selesai, pasang kembali busi pada tempatnya.


4. SETEL CARA KERJA GAS TANGAN

Langkah Kerja Menyetel Cara Kerja Gas Tangan :

- Periksa apakah putaran gas tangan dapat bekerja dengan lancar dan halus sewaktu

membuka dengan penuh dan menutup kembali secara otomatis pada setang kemudi.

- Periksa kabel gas dari kerusakan, lekukan atau keretakan. Ganti jika sudah rusak, terdapat

lekukan atau retakan.

- Lumasi kabel gas jika cara kerja gas tangan tidak lancar (terasa berat).

- Ukur jarak main bebas gas tangan pada ujung sebelah dalam gas tangan.

- Jarak main bebas gas tangan dapat disetel melalui penyetel gas tangan seperti terlihat pada

Gambar.9 di bawah ini.

- Lepaskan penutup debu pada penyetel.

- Setel jarak main bebas dengan melonggarkan mur pengunci dan memutar penyetel.

- Periksa ulang cara kerja gas tangan.

- Ganti (bila perlu) komponen-komponen (parts) yang rusak.


5. SETEL KOPLING

Langkah Kerja Penyetelan Kopling :

- Kendorkan Mur pengunci baut stelan kopling dengan kunci ring 14 ke arah kiri hingga

kendor

- Putar baut penyetel kearah kanan (searah jarum jam) hingga terasa ada sentuhan, lalu

putar kembali kearah kiri hingga mentok (terasa ada sentuhan) dan berhenti.



- Putar kembali baut penyetel kearah kanan sebanyak 1/4 - 1/8 putaran.

- Kencangkan mur pengunci kearah kanan hingga baut penyetel terkunci. Catatan :

Periksa hasil penyetelan dengan cara:

- Hidupkan mesin.

- Masukkan persnelling pada gigi 1 dan tahan pedal persnelling.

- Putar gas hingga seperempat putaran atau kurang lebih 1000-2000RPM.

- Perhatikan roda belakang, apabila diam atau bebas, artinya penyetelan berhasil, apabila

terus berputar, berarti penyetelan belum tepat, maka harus diulang langkah diatas.


6. GANTI OLI MESIN

Langkah Kerja Penggantian Oli Mesin:

- Dudukkan sepeda motor pada standar tegak.

- Buka tutup pengisian oli pada mesin, periksa ketinggian oli mesin dengan cara melihat batas

permukaan atas dan permukaan bawah pada tangkai pengukur, dan periksa kekentalan dan

warna oli.

- Buka baut pembuangan oli yang terletak dibawah mesin dibuka. Tampung oli bekas

tersebut dengan wadah atau kaleng agar tidak mengotori lantai.

- Biarkan kondisi tersebut untuk jangka waktu sekitar 5 – 10 menit, agar oli yang hendak

diganti dapat keluar semua.

- Tekan kick stater berulang-ulang secara perlahan-lahan agar oli yang masih tertinggal di

dalam mesin dapat keluar.

- Setelah tidak ada oli yang meneter lagi, pasang kembali baut penutup pembuangan oli.

- Masukkan oli mesin yang baru dan sesuaikan dengan jumlah yang dianjurkan.

- Pasang tutup pengisian dan jalankan mesin sebentar.

- Periksa bahwa tida ada kebocoran minyak pelumas.


7. SETEL RANTAI

Langkah kerja Pemeriksaan dan penyetelan rantai :

- Periksa jarak bebas (kekendoran) rantai roda sesuai dengan standar ukuran yang diajurkan.

- Kendorkan mur as roda, kemudian stel jarak main bebas rantai dengan cara memutar

setelan rantai pada ujung lengan ayun.

- Bersihkan rantai yang kotor, kemudian lumasi dengan oli.

- Periksa keausan karet peluncur rantai.

- Ganti rantai dan peluncurnya, apabila sudah rusak atau aus.

- Periksa keausan gir (sprocket) depan dan belakang. Gir yang sudah aus sering menjadi

penyebab rantai tergelincir (loss), sebaiknya segera diganti.



Desain oleh : Daun education (Wiono . K ., SPd)

Monday, October 12, 2009

LEMBAR KERJA KARBURATOR

LEMBAR KERJA KARBURATOR SEPEDA MOTOR

Nama : .....................................................
Kelas : ......................................................
Mata Pelajaran : MULOK (Tek. Sepeda Motor)
Sekolah : SMK Negeri 2 Tebing Tinggi


1) Alat dan Bahan

- Obeng pipih (–)

- Obeng kembang (+)

- Kunci pas 10 mm

- Kunci pas 7 mm

- Kuas

- Karburator

- Kompresor

2) Keselamatan Kerja

- Gunakanlah peralatan yang sesuai dengan fungsinya.

- Ikutilah instruksi dari guru ataupun prosedur kerja yang tertera pada lembar kerja.

- Mintalah ijin dari guru bila hendak melakukan pekerjaan yang tidak tertera pada lembar kerja.

- Gunakan tekanan kompresor sesuai tekanan yang diizinkan.

- Bila perlu mintalah buku manual tentang karburator.

3) Langkah Kerja

- Persiapkan alat dan bahan praktek secara cermat, efektif dan seefisien mungkin.

- Perhatikan penjelasan prosedur penggunaan alat, baca lembar kerja dengan teliti.

- Lakukan pembongkaran karburator :

a. Buka karburator dari sepeda motor.

b. Lepaskan/buka karburator assy yang terdiri dari ( O–ring, cap cabel sealing, katup throttle/piston, spring/pegas, needle jet/jarum ).

c. Buka mangkok pelampung /float chamber set sehingga terlihat pelampung, main jet, slow jet.

d. Lepaskan/buka secara hati-hati pelampung dan jarumnya.

e. Lepaskan/buka main jet.

f. Lepaskan/buka slow jet.

g. Lepaskan/buka screw set/skrup pengatur udara.

h. Lepaskan/buka screw set/skrup pengatur bahan bakar.

- Lakukan pemeriksaan karburator :

Pemeriksaan


Hasil pemeriksaan


Kesimpulan

- Periksa katup throttle/piston





- Periksa cap cable sealing





- Periksa spring/pegas





- Periksa main jet/saluran utama





- Periksa slow jet/saluran idle/langsam





- Periksa screw set/skrup pengatur udara





- Periksa screw set/skrup pengatur bahan bakar





- Periksa tiap lubang saluran karburator





NB: Periksa komponen karburator dari : tergores/luka bergaris-garis, rusak/aus, patah, bocor,

tersumbat, kotor dll.

- Lakukan pemasangan karburator :

a. Bersihkan karburator

b. Pasang/rakit kembali karburator dengan cara kebalikan dari prosedur/cara pembongkaran.

c. Setel screw set/skrup pengatur udara sesuai standard

- Setelah selesai, bersihkan dan kembalikan semua peralatan dan bahan yang telah digunakan pada tempat yang disediakan.

Saturday, October 10, 2009

KOTA TEBING TINGGI

Kota Tebing Tinggi adalah salah satu kota di Sumatera Utara, Indonesia.

Geografi
Menurut Data Badan Informasi dan Komunikasi Sumatera Utara, Kota Tebing Tinggi merupakan salah satu pemerintahan kota dari 29 Kabupaten / Kota di Sumatera Utara berjarak sekitar 80 km dari Kota Medan (Ibukota Provinsi Sumatera Utara) serta terletak pada lintas utama Sumatera, yaitu menghubungkan Lintas Timur dan Lintas Tengah Sumatera melalui lintas diagonal pada ruas Jalan Tebing Tinggi, Pematangsiantar, Parapat, Balige, dan Siborongborong.
Kota Tebing tinggi terletak di antara 30.16° - 30.22° Lintang Utara dan 99.07° - 99.011° Bujur Timur dengan batas – batas :
Sebelah Utara dengan PTPN III Kebun Rambutan, Kabupaten Serdang Bedagai
Sebelah Selatan dengan PTPN IV Kebun Pebatu dan Perkebunan Payu Pinang, Kabupaten Serdang Bedagai
Sebelah Timur dengan PT Socfindo Tanah Besi dan PTPN III Kebub Rambutan, Kabupaten Serdang Bedagai
Sebelah Barat dengan PTPN III Kebun Gunung Pamela, Kabupaten Serdang Bedagai
Tebing Tinggi beriklim tropis dataran rendah. Ketinggian 26 – 24 meter di atas permukaan laut dengan topografi mendatar dan bergelombang. Temperatur udara di kota ini cukup panas yaitu berkisar 25° - 27° C. Sebagaimana kota di Sumatera Utara, curah hujan per tahun rata-rata 1.776 mm/tahun dengan kelembaban udara 80%-90%.

Hidrologi
Di Tebing Tinggi terdapat empat sungai yang mengalir dari barat menuju timur. Keempat sungai tersebut adalah Sungai Padang, Sungai Bahilang, Sungai Kalembah, dan Sungai Sibaran. Daerah sekitar Sungai Padang dan Bahilang merupakan wilayah potensi banjir, yaitu Kelurahan Bandar Utama, Persiakan, Bandar Sono, Mandailing, Bagelan, Rambung, Tambangan, Brohal, dan Rantau Laban.

Sejarah
Kerajaan Padang, Melacak Akar Historis Pemekaran Kota Tebing Tinggi
Daratan yang terhampar di sepanjang pinggiran sungai Padang dan sungai Bahilang itu mulai dihuni sebagai tempat tinggal pada tahun 1864. Inilah pernyataan resmi pertama kali yang dibuat oleh sejumlah tokoh masyarakat Kota Tebing Tinggi pada tahun 1987. Pernyataan ini terdapat dalam makalah berjudul “Kertas Kerja Mengenai Pokok-Pokok Pikiran Sekitar Hari Penetapan Berdirinya Kotamadya Daerah Tingkat II Tebing Tinggi.” Makalah ini kemudian dijadikan sebagai Perda yang menetapkan bahwa awal berdirinya Kota Tebing Tinggi adalah 1 Juli 1917.
Dalam makalah itu dipaparkan bagaimana perkembangan daerah ini pasca tahun 1864. Dimana dalam tahun-tahun itu, berdasarkan penuturan lisan yang sambung menyambung, seorang bangsawan dari Wilayah Bandar Simalungun ( sekarang masuk wilayah Pagurawan )bernama Datuk Bandar Kajum bersama pengikut setianya menyusuri sungai Padang untuk mencari hunian baru, hingga kemudian mereka mendarat dan bermukim di sekitar aliran sungai besar itu. Pemukiman itu bernama Kampung Tanjung Marulak – sekarang Kelurahan Tanjung Marulak, Kec. Rambutan.
Namun kehidupan bangsawan dari Bandar ini tidaklah tenteram, karena dia terus saja diburu oleh tentara kerajaan Raya. Maka, Datuk Bandar kajum pun memindahkan pemukimannya ke suatu lokasi yang persis berada di bibir sungai Padang. Pemukiman itu merupakan sebuah tebing yang tinggi. Dia dan para pengikutnya mendirikan hunian di atas tebing yang tinggi itu sembari memagarinya dengan kayu yang kokoh. Pemukiman Datuk Bandar Kajum inilah yang sekarang berlokasi di Kelurahan Tebing Tinggi Lama, Kec. Padang Hilir dan kini menjadi lokasi pemakaman keturunan Datuk Bandar Kajum, kemudian yang diyakini sebagai cikal bakal nama Tebing Tinggi.
Pada masa itu, tentara dari Kerajaan Raya suatu kali kembali menyerang Kampung Tebing Tinggi untuk menangkap Datuk Bandar Kajum, tapi karena tidak berada di tempat, Datuk Bandar Kajum yang bergelar Datuk Punggawa ini selamat. Sedangkan keluarganya bersama pengikutnya melarikan diri ke Perkebunan Rambutan yang saat itu dibawah kekuasaan Kolonial Belanda. Lalu dibantu oleh Belanda, Datuk Bandar Kajum pun mengadakan serangan balasan terhadap tentara Kerajaan Raya ini. Dalam peperangan itu, dia, bersama pengikutnya berhasil mengalahkan penyerang.
Setelah suasana kembali aman, untuk tetap menjaga ketentraman daerah itu, Datuk Bandar Kajum pun mengadakan perjanjian dengan Belanda. Oleh Belanda daerah kekuasaan Datuk Bandar Kajum ini dilebur menjadi wilayah taklukan Kerajaan Deli. Penanda tanganan perjanjian itu, terang kertas kerja tersebut, dilakukan Datuk Bandar Kajum dan Belanda di sebuah sampan bernama “Sagur” di sekitar muara sungai Bahilang.
Adalah Datuk Idris Hood bersama Adnan Ilyas, Drs. Mulia Sianipar, Amirullah, Kasmiran, Djunjung Siregar, Mangara Sirait, Sjahnan dan OK Siradjoel Abidin yang membuat kertas kerja itu dan berusaha menggali historisitas berdirinya Kota Tebing Tinggi. Namun, kesemua tokoh itu sudah lama wafat, sehingga saat ini kalangan generasi muda merasa kesulitan untuk melacak akar historis daerah yang bergelar kota lemang itu.
Pertanyaan yang paling mendasar bagi kalangan generasi muda kota itu, saat ini adalah, apa nama daerah hunian dan tempat tinggal di sepanjang aliran sungai Padang dan sungai Bahilang itu sebelum nama ‘Tebing Tinggi’ muncul dalam data sejarah?
“Daerah itu bernama Kerajaan Padang,” tegas Amiruddin Damanik, 91, warga Desa Kuta Baru, Kecamatan Tebing Tinggi, Kabupaten Serdang Bedagei, suatu kali ketika penulis berbincang-bincang dengan dia. Jauh sebelum ada kampung Tebing Tinggi, ujarnya memulai cerita, sepanjang aliran sungai Padang dari hulu hingga hilir, daerah itu merupakan wilayah kekuasaan Kerajaan Padang.
Kerajaan ini dulunya merupakan daerah otonom dibawah Kerajaan Deli yang berpusat di Deli Tua, kata Amiruddin Damanik yang merupakan mantan penghulu di masa penghujung berakhirnya kerajaan itu menjelang kemerdekaan Republik Indonesia. Pusat kerajaan ini, lanjut dia, berada di Kampung Bandar Sakti --sekarang Kelurahan Bandar Sakti, Kecamatan Rambutan-- yang merupakan pelabuhan sungai dan menjadi pusat perdagangan Kerajaan Padang dengan kerajaan lain. “Waktu itu sungai merupakan sarana transportasi utama, jadi wajar kalau ibu kota Kerajaan Padang berada di tepian sungai Padang,” terang laki-laki yang terlihat masih memiliki ingatan kuat meski pisiknya sudah sepuh.
Pusat administrasi Kerajaan Padang ini berada di sebuah bangunan bergaya arsitektur Eropah yang saat ini menjadi markas Koramil 013, di Jalan KF Tandean. Bangunan itulah yang jadi saksi bisu keberadaan Kerajaan Padang, kata laki-laki yang memiliki sepuluh anak dan puluhan cucu serta cicit ini. Sedangkan istana raja lokasinya tidak berapa jauh dari pusat administrasi kerajaan. “Seingat saya, dulu istana itu masih ada di belakang panglong, bersisian dengan Jalan Dr. Kumpulan Pane dan masih terlihat dari persimpangan Jalan KF Tandean. Tapi sekarang entah ada lagi entah tidak,” tutur Amiruddin Damanik, yang mengaku sudah belasan tahun tidak ke kota (Tebing Tinggi).
Historis Kerajaan Padang ini, lanjut dia, bisa dilacak juga melalui cerita lisan yang sambung menyambung, bermula dari memerintahnya seorang penguasa bernama Raja Syah Bokar. Bersama raja ini ada juga beberapa pembantu raja yang dikenal cukup berpengaruh masa itu, mereka adalah Panglima Daud berkedudukan sebagai panglima perang dan Orang Kaya Bakir sebagai bendahara kerajaan.
Di bawah pengaruh raja ini, Kerajaan Padang memiliki daerah yang luas terdiri dari puluhan kampung dan dipimpin kepala kampung masing-masing. Tiap-tiap kampung merupakan daerah otonom tapi tunduk pada kekuasaan raja Kerajaan Padang. Di sebelah utara, Kerajaan Padang berbatasan dengan perkebunan Rambutan yang dikuasai Belanda. Di sebelah selatan Kerajaan Padang memiliki kampung-kampung yang menjadi batas wilayahnya dengan Kerajaan Raya, Simalungun. Kampung itu adalah Huta Padang dan Bartong –saat ini berada di Kec.Sipispis, Kabupaten Serdang Bedagei. Ke arah barat, kerajaan ini mencapai Kampung Pertapaan –sekarang masuk Kec. Dolok Masihul, Sergai. Demikian pula ke arah timur, kerajaan ini memiliki batas hingga ke Bandar Khalifah --sekarang Kec. Bandar Khalifah, Sergai.
Kerajaan Padang masa itu dihuni penduduk dari multi etnis, baik etnis lokal maupun dari mancanegara. Hingga kini bukti-bukti multi etnisitas itu terlihat dari penamaan kampung-kampung yang ada di Kota Tebing Tinggi., seperti, Kampung Jawa, Kampung Begelen, Kampung Rao, Kampung Mandailing, Kampung Tempel, Kampung Batak dan Kampung Keling. Penamaan kampung yang terakhir ini berlokasi di pinggiran sungai Padang –saat ini terletak di Kelurahan Tanjung Marulak-- menginformasikan bahwa di masa Kerajaan Padang wilayah itu sudah di huni salah satu suku bangsa dari anak benua India. Bukti arkeologis keberadaan etnis anak benua India itu dengan pernah ditemukannya bangkai sebuah perahu bergaya Hindu mengendap dari kedalaman sungai Padang di Desa Kuta Baru sekira lima tahun lalu. Namun sayang, bangkai kapal itu hancur karena tidak terawat.
Demikian pula dengan keberadaan etnis Tionghoa telah ada seiring dengan perkembangan hubungan Kerajaan Padang dengan kerajaan lain. Etnis Tionghoa kala itu, banyak menghuni pinggiran muara sungai Bahilang. Kelompok mereka dipimpin seorang kapitan. “Hingga kini kalau saya tidak salah kediaman kapitan Cina iu masih ada di Jalan Iskandar Muda berhadapan dengan bekas bioskop Metro,” tegas orang tua yang enggan di panggil kakek itu.
Disamping kedua etnis ini, orang-orang Belanda juga belakangan menghuni Kerajaan Padang . Ini dibuktikan dengan adanya perkuburan mereka yang disebut Kerkof (kuburan) di Kampung Bagelen –sekarang di Jalan Cemara.
Beberapa kampung yang spesifik dari kegiatan penduduk kala itu juga masih terabadikan hingga kini, misalnya Kampung Bicara, Bandar Sono, Kampung Persiakan, Kampung Durian, Kampung Jati, Kampung Sawo, Kampung Kurnia, Kampung Jeruk, Kampung Semut, Kampung Tambangan, Kampung Sigiling dan Kampung Badak Bejuang serta beberapa kampung lainnya.

Batas Kerajaan Padang
“Sebelum sampai Sipispis, ada satu kampung bernama Bartong, itulah batas wilayah terjauh Kerajaan Padang,” tegas tokoh sepuh itu yang pernah menjadi tahanan politik di awal Orde Baru. Batas itu diperoleh Kerajaan Padang setelah memenangkan pe perangan dengan Kerajaan Raya. “Perang itu bernama perang Lopot-Lopot, artinya perang intip-mengintip,” jelas penutur ini.
Asal terjadinya perang, urai Amiruddin, bermula dari seringnya muncul gangguan yang terkadang berakhir dengan pembunuhan dari orang-orang Kerajaan Raya terhadap kehidupan masyarakat di sekitar Kampung Bulian. Akibatnya, karena ketakutan penduduk Kampung Bulian ini banyak yang mengungsi hingga ke Bandar Sakti. Melihat keadaan ini, pasukan Kerajaan Padang kemudian membuat sebuah jembatan di atas sungai Kelembah. Maksud dibuatnya jembatan ini untuk mengontrol siapa saja orang-orang yang keluar-masuk ke ibu kota kerajaan.
Ternyata, dibuatnya jembatan itu membuat Kerajaan Raya tidak senang, sehingga mereka selalu saja mengganggu ketentraman warga di Kerajaan Padang. Menghadapi keadaan tidak tentram itu, Raja Syah Bokar kemudian memerintahkan Panglima Daud untuk mengusir para pengacau itu. Maka dalam pengusiran itulah, Panglima Daud melakukan penaklukan terhadap beberapa kampung lainnya, hingga kemudian panglima Kerajaan Padang ini menghentikan pengejaran di Kampung Bartong. Lalu, kampung inilah yang dijadikan batas Kerajaan Padang.
Usai peperangan, Kerajaan Padang harus menghadapi suatu masa pancaroba dalam bentuk perebutan kekuasaan. Dalam suatu acara perburuan di Bandar Khalifah, Raja Syah Bokar karena pengkhianatan panglimanya, mati terbunuh. Lalu, sepeninggal sang raja, kekuasaan dikendalikan oleh OK Bakir. Bendaharawan kerajaan ini menjalankan pemerintahan menunggu dua anak Raja Syah Bokar yang bernama Tengku Alamsyah dan Tengku Hasyim menamatkan sekolahnya di Batavia.
Dalam catatan penutur, di saat jabatan di pangku OK Bakir inilah Kerajaan Padang kemudian takluk di bawah Kerajaan Deli yang otomatis menjadi taklukan Kolonial Belanda. Sebagai bukti ketundukan terhadap Kerajaan Deli, kerajaan induk ini kemudian mengirim salah seorang petingginya menjadi pemangku raja di Kerajaan Padang. Petinggi Kerajaan Deli itu bernama Tengku Jalal yang kemudian menjabat sebagai raja menanti keturunan raja yang wafat pulang dari tugas belajar.
Selesai menamatkan sekolah, kedua keturunan raja ini kemudian kembali ke Kerajaan Padang untuk melanjutkan tampuk kekuasaan. Pemegang tampuk kekuasaan pertama jatuh ke tangan anak tertua yakni Tengku Alamsyah. Baru kemudian diserahkan kepada anak lainnya yakni Tengku Hasyim. Di tangan Tengku Hasyim ini, gejolak menuntut kemerdekaan terhadap Kolonial Belanda menggemuruh. Sehingga akhirnya seluruh wilayah Kerajaan Padang melebur menjadi Tebing Tinggi dengan batas-batas yang ditentukan administrasi Kolonial Belanda. Batas-batas inilah yang hingga kini menjadi patok administrasi Kota Tebing Tinggi.
Akan halnya Datuk Bandar Kajum, berdasarkan pada penuturan historis lebih awal ini, diperkirakan sebagai salah seorang pemuka masyarakat di Kerajaan Padang. Dia, mendapatkan kehormatan dari penguasa Kerajaan Padang dengan gelar Datuk Punggawa karena kesertaannya dalam perang menghadapi Kerajaan Raya. Datuk Bandar Kajum pun kemudian diberikan tanah dan wewenang untuk membangun pemukiman yang kemudian disebut Kampung Tebing Tinggi.
Lalu, dari pelacakan akar historis Kota Tebing Tinggi di masa lalu, setidaknya harapan masyarakat Kota Tebing Tinggi untuk melakukan pemekaran wilayah, sebenarnya memiliki momentum historisitas yang bisa jadi memiliki validitas kuat. Jika menggunakan data sejarah di atas --meski merupakan data lisan-- sebenarnya wilayah Kota Tebing Tinggi sekarang ini lebih kecil dari wilayah Kerajaan Padang yang berpusat di kota itu. Ada puluhan desa dan kampung di hinterland yang dulunya merupakan wilayah Kerajaan Padang.
Namun karena keberadaan wilayah Tebing Tinggi ini hanya didasarkan pada data Kolonial Belanda, keadaannya menjadi riskan. Kota Tebing Tinggi sebagai ibukota Kerajaan Padang harus kehilangan puluhan kampung yang dulunya merupakan bagian dari Kota Tebing Tinggi tempo doeloe itu. Sekali lagi hal ini membuktikan, ternyata penjajahan Kolonial Belanda telah merugikan Tebing Tinggi dalam soal administrasi kewilayahan. Sudah saatnya memang kita menagih kembali daerah Tebing Tinggi yang hilang berdasarkan wilayah Kerajaan Padang. Ayo bung, kita mekarkan Kota Tebing Tinggi berdasarkan data historis itu. Abdul Khalik.

Beberapa peristiwa penting
Kerusuhan Mei 1998
Saat lahirnya Reformasi Indonesia pada Mei 1998, Kota Tebing Tinggi juga tak luput dari kerusuhan terhadap etnis Tionghoa. Masyarakat yang saat itu tercekik ekonominya karena harga yang membubung tinggi, beramai-ramai melakukan penjarahan toko-toko milik etnis Tionghoa. Pertokoan Jalan Suprapto dan KH Dahlan tak luput dari penjarahan. Beberapa kilang padi milik etnis Tionghoa juga dijarah. Dampaknya seluruh pertokoan di seluruh kota tutup, bahkan selama tiga tahun sejak penjarahan, kota Tebing Tinggi seperti lumpuh pada malam hari karena tidak adanya toko yang berani buka pada malam hari.
Banjir Besar 2001
Akhir 2001 banjir besar melanda hampir seluruh pesisir timur Sumatera Utara. Tebing Tinggi juga tak luput dari bencana ini. Dua sungai besar yang membelah kota ini: Sungai Padang dan Sungai Bahilang meluap. Selama tiga hari air merendam dan melumpuhkan aktivitas kota. Beberapa kendaraan antar kota dari dan menuju Medan terjebak banjir dan terpaksa menginap di jalanan kota Tebing Tinggi. Tidak ada korban jiwa dalam banjir ini, namun kerugian materi tak terelakan.

Tempat wisata
Tempat wisata di Kota Tebing Tinggi belum banyak tergali. Sebagai wilayah bekas Kerajaan Melayu Padang, hingga kini masih berdiri bangunan bekas Istana Kerajaan Padang di Jl KF Tandean, Bulian. Istana ini masih bertahan walau bukan bahagian utuh lagi. Lokasi Istana yang menuju Pantai Keladi ini, sekarang diurus oleh waris kerajaan dari turunan Tengku Irwan Hasyim(Tengku Irwan Hasyim adalah Putra dari Tengku Hasyim, beristrikan Tengku Ina Nazli, walau beliau juga pernah beristrikan seorang Swiss). Disisi kiri Istana terdapat Kompleks Pusara Bangsawan Padang.
Masih terdapat beberapa rumah melayu lama dibeberapa tempat di Kota Tebing Tinggi, seperti di daerah Bulian ujung; sebuah Rumah berornamen melayu bekas kediaman Tengku Tokoh.
Di Jl Syech Baringin, terdapat Makam Tuan Syech Baringin, seorang Sufi yang disegani di wilayah ini pada masanya. Di kompleks makam Sang Sufi masih berdiri Bekas rumah kediamannya yang mirip Rumah Gadang Sumatera Barat. Sayang, Kondisinya sangat memprihatinkan
Di Tebing tinggi ada beberapa sungai yang berpantai pasir. Walau tanpa pengembangan lokasi-lokasi ini sering dijadikan tempat wisata lokal bagi masyarakat tempatan.
Diwilayah Sungai Sigiling dan Batu Ampat, ada terdapat kolam pemancingan dan kolam rekreasi yang dikelola atas swadaya masyarakat sendiri.
Pada sabtu malam dan rabu malam, pemuda pemudi banyak juga menghabiskan paruh malam di sekitar Lapangan Jl Sutomo yang di kenal dengan Lapangan Sri Mersing.
Ada sebuah keunikan pada malam-malam Hari Raya, Budaya berkeliling kota dengan beca bisa kita saksikan sebagai sebuah wisata muatan lokal. Sebuah beca bisa berisi 8 hingga 10 penumpang. Hutan beca sepanjang malam hari raya mempunyai kekhasan tersendiri. Antara penumpang beca satu dengan penumpang beca yang lain dibenarkan saling berlempar-lemparan air atau menembak dengan pistol air; tidak ada kemarahan. Entah kapan budaya ini bermulai, tetapi kebiasaan ini berlangsung setiap tahunnya.

Makanan khas
Lemang
Makanan dari kota Tebing Tinggi adalah Lemang. Lemang merupakan makanan dari beras ketan yang dimasak dalam seruas bambu, setelah sebelumnya digulung dengan selembar daun pisang. Gulungan daun bambu berisi tepung beras bercampur santan kelapa ini kemudian dimasukkan ke dalam seruas bambu lalu dibakar sampai matang diatas tungku panjang. Lemang lebih nikmat disantap hangat-hangat, dengan campuran selai bahkan durian.
Pusat penjualan lemang di Tebing Tinggi adalah di seruas jalan bernama Jl. KH Dahlan berseberangan dengan Masjid Raya Tebing Tinggi, masyarakat lebih mengenalnya sebagai Jalan Tjong Afie. Lemang yang paling terkenal adalah Lemang Batok.
Lemang produksi kota Tebing Tinggi sangat terkenal lezat dan lemak. Karena kelezatannya itulah kota Tebing Tinggi juga dijuluki sebagai Kota Lemang.
Kue Kacang
Sejak sekitar tahun 2005 di Tebing Tinggi muncul makanan baru, yakni Kue Kacang (di kota lain disebut Bakpia). Kue kacang yang terkenal adalah kue kacang bermerek Rajawali, Beo dan Garuda. Kue kacang banyak d jual di terminal Pajak (Pasar) Mini Tebing Tinggi. Karena kelezatannya dan harga yang ekonomis, Kue Kacang mulai menjadi ikon baru kuliner Tebing Tinggi selain Lemang.
Halua
Halua merupakan manisan khas melayu. Halua bisa terbuat dari Buah Pepaya yang ditebuk atau dibuat anyaman yang disebut Buku Bemban, Pucuk Pohon Pepaya, Buah Paria, cabai, Meregat, Gelugur, dan berbagai bahan lainnya. Meskipun tidak menjadi produksi bisnis, Halua akan tetap ada dalam upacara adat maupun lebaran.

Sumber : http://id.wikipedia.org/wiki/Kota_Tebing_Tinggi

Tuesday, October 6, 2009

Mahmoud Ahmadinejad Keturunan Yahudi

By Ita Lismawati F. Malau, Harriska Farida Adiati - Minggu, Oktober 4

VIVanews - Foto Presiden Iran Mahmoud Ahmadinejad saat sedang menunjukkan kartu identitas dalam pemilihan umum Maret 2008 memperlihatkan bahwa keluarganya memiliki keturunan Yahudi. Dalam dokumen yang diperbesar bisa terbaca bahwa Ahmadinejad pernah dipanggil "Sabourjian", nama Yahudi yang berarti penenun pakaian. Bukt-bukti ini pertama kali diungkap oleh harian The Daily Telegraph.Seperti dikutip dari laman harian The Telegraph, Minggu 4 Oktober 2009, catatan pendek di dalam kartu identitas itu menjelaskan kalau keluarga presiden yang kerap mengecam Israel ini mengganti nama keluarga menjadi Ahmadinejad saat mereka memeluk Islam pasca kelahiran Ahmadinejad.
Keluarga Sabourjian berasal dari Aradan, tempat kelahiran Ahmadinejad. Nama Sabourjian diperoleh dari "tukang tenun Sabour," nama selendang Yahudi Tallit di Persia. Nama tersebut juga masuk dalam daftar nama orang-orang Yahudi Iran yang dikumpulkan oleh Departemen Dalam Negeri Iran.
Para ahli tadi malam menyebutkan bahwa track record Ahmadinejad yang kerap mengeluarkan kritik pedas terhadap kaum Yahudi bisa jadi dilakukan untuk menutupi masa lalunya. "Setiap keluarga yang pindah agama membuat identitas baru dengan mengecam kepercayaan mereka sebelumnya," kata Ali Nourizadeh dari Pusat Studi Arab dan Iran. "Aspek latar belakang Ahmadinejad menjelaskan banyak hal tentang dia.
Dengan mengeluarkan pernyataan-pernyataan anti-Israel, dia mencoba menghilangkan kecurigaan tentang keterkaitan dirinya dengan Yahudi. Dia merasa tak berdaya di tengah masyarakat radikal Syiah," terang Nourizadeh.
Juru bicara kedutaan Israel di London, Ron Gidor, mengatakan tidak akan terpengaruh dengan masa lalu Ahmadinejad. "Itu bukan sesuatu yang perlu kami bahas," kata Gidor.
Ahmadinejad memang tidak pernah menyangkal bahwa namanya diganti saat keluarganya pindah ke Teheran pada tahun 1950-an. Namun dia tidak pernah mengungkapkan nama sebelumnya dan tidak menjelaskan alasan penggantian nama tersebut.
Ahmadinejad adalah insinyur berkualitas dengan gelar doktor dalam bidang traffic management. Dia menjadi milisi Garda Revolusioner sebelum namanya dikenal sebagai politisi garis keras di Teheran.

Sumber : www.vivanews.com

Kritik Anda adalah Kue Anda

Ditulis oleh: Anne Ahira

"Anda tidak berhak dipuji kalau tidak bisa menerima kritikan."-- Halle Berry, 2005

Itulah kalimat dahsyat yang disampaikan Halle Berry, artis peraih Oscar melalui film James Bond 'Die Another Day' di tahun 2004 ketika mendapat piala Razzie Award.

Razzie Award adalah penghargaan yang diberikan kepada mereka yang dinilai aktingnya buruk. Label pemain terburuk ini didapatkan Halle setelah memainkan perannya di film 'Cat Woman'.

Ia adalah orang yang pertama kali langsung datang ke tempat pemberian penghargaan tersebut.

Tidak ada Aktor dan Artis lain sebelumnya yang sanggup datang dan hanya menyampaikan pesannya melalui video.

Sambutannya sungguh menarik : "Saya menerima penghargaan ini dengan tulus. Saya menganggap ini sebagai kritik bagi saya untuk tampil lebih baik di film-film saya berikutnya. Saya masih ingat pesan ibu saya bahwa... 'Kamu tidak berhak dipuji kalau kamu tidak bisa menerima kritikan'."

Tepukan tangan sambil berdiri sebagai bentuk ketakjuban dari para hadirin sangat memeriahkan malam itu. Ya, sangat sedikit orang yang sanggup menerima kritikan seperti Halle.

Nah, sekarang, apa arti kritik bagi Anda? Apakah itu musibah buruk? Seperti bencana yang tidak terduga, atau... simbol kehancuran diri? Adakah yang bisa menganggap kritik layaknya ia menerima pujian?

Kritik memiliki banyak bentuk...

Kritik bisa berupa nasehat, obrolan, sindiran, guyonan, hingga cacian pedas.Wajar saja jika setiap orang tidak suka akan kritik.

Bagaimanapun, akan lebih menyenangkan jika kita berlaku dan tampil sempurna,
memuaskan semua orang dan mendapatkan pujian.

Tapi siapa yang bisa menjamin bahwa kita bisa aman dari kritik? Tokh kita hanyalah manusia dengan segala keterbatasannya. Dan nyatanya, di dunia ini lebih banyak orang yang suka mengkritik, daripada dikritik. :-)

Kalau Anda suka sepak bola, pasti sering mengamati para komentator dalam mengeluarkan pernyataan pedasnya.

Padahal belum tentu kepandaian mereka dalam mengkritik orang lain sebanding dengan kemampuannya jika disuruh memainkan bola sendiri di lapangan. ;-)

Belum lagi para pakar dan pengamat politik, ekonomi, maupun sosial. Mereka ramai-ramai berkomentar kepada publik, seolah pernyataan merekalah yang paling benar. :-)

Namun bukan itu permasalahannya!

Pertanyaannya sekarang adalah... seandainya Anda mendapatkan kritikan, yang sakitnya melebihi tamparan, apa yang harus Anda lakukan?

Jawabannya adalah...

=> Nikmatilah setiap kritikan layaknya kue kegemaran kita!

Mungkinkah? Mengapa tidak! :-)

Kita mempunyai wewenang penuh untuk mengontrol perasaan kita.

Berikut tips untuk Anda saat menghadapi kritik:

1. Ubah Paradigma Anda Terhadap Kritik

Anda, tidak sedikit orang yang jatuh hanya gara-gara kritik, meski tidak semua kritik itu benar dan perlu ditanggapi. Padahal, kritik menunjukkan adanya yang *masih peduli* kepada kita.

Coba perhatikan perusahaan-perusahaan besar yang harus mengirimkan berbagai survey untuk mengetahui kelemahannya.

Bayangkan jika Anda harus melakukan hal yang sama, mengeluarkan banyak uang hanya untuk mengetahui kekurangan Anda! LoL. :-)

Kritik merupakan kesempatan untuk koreksi diri. Tentu saja akan menyenangkan jika mengetahui secara langsung kekurangan kita, daripada sekedar menerima dampaknya, seperti dikucilkan misalnya.

2. Cari tahu sudut pandang si pengkritik

Tidak ada salahnya mencari tahu detil kritik yang disampaikan. Anda bisa belajar dari mereka dan melakukan koreksi terhadap diri Anda. Bisa jadi kritik yang disampaikan benar adanya.

Jika perlu, justru carilah orang yang mau memberikan kritik sekaligus saran kepada Anda. Tokh Anda tidak akan menjadi rendah dengan hal itu.

Justru sebaliknya, pendapat orang bisa jadi membuka persepsi, wawasan, maupun paradigma baru yang mendukung goal Anda.

3. Kritik tidak perlu dibalas dengan kritik!

Tanggapi kritik dengan bijak. Anda tidak perlu merasa marah atau memasukkannya ke dalam hati. Toh menyampaikan pendapat adalah hak semua orang.

Nikmatilah apapun yang mereka sampaikan. Tidak ada ruginya untuk ringan dalam mema'afkan seseorang. Anggaplah semua itu untuk perbaikan yang menguntungkan Anda kelak.

Jangan pernah Anda balas kritik dengan kritik. Karena hal ini hanya akan membuat perdebatan, menguras tenaga & pikiran. Tidak ada gunanya...

4. Terimalah kritikan dengan senyuman. ^_^

Ini semua bisa melatih mental kita agar bisa *tegar* menghadapi ujian yang lebih hebat di kemudian hari.

Singkatnya, kita memang hanya layak dipuji jika sudah berani menerima kritikan. Meski tidak mudah, asah terus keberanian Anda untuk menikmati kritik layaknya menikmati kue Anda, pujian dan apresiasi hanya akan datang apabila kita sudah melakukan sesuatu yang berharga.

So, jangan pernah bosan untuk memburu kritik, dan tanggapilah setiap kritik dengan
lapang dada! :-)


************** RESOURCE BOX ********************

Asian Brain Newsletter - Think & Succeed!
Kontribusi Anne Ahira & PT. Asian Brain untuk menggali dan melejitkan potensi masyarakat Indonesia!

Jika tulisan-tulisan Ahira dirasakan bermanfaat oleh Anda, tolong sebarkan alamat situs ini:
=> http://www.AsianBrainNewsletter.com

Tentukan Perubahan - Jangan Menunggu!

Ditulis oleh: Anne Ahira

Banyak orang yang suka mengeluh dalam hidupnya. Misalnya, dengan menyalahkan nasib buruk yang menimpanya.

Tentu saja cara ini tidak akan pernah menjadikan kehidupannya menjadi lebih baik, bukan?

Ada pepatah bijak mengatakan :

"You can not chance the wind direction,but you can only chance your wing
direction"

Kita tidak akan pernah bisa merubah arah angin, yang dapat kita lakukan adalah mengubah arah sayap.

Dengan kata lain...

'Realita' kehidupan tidak akan berubah kecuali kita sendirilah yang mengubah 'sudut pandang' terhadap realita yang ada!

Fakta: "Tidak ada seorang pun yangmemilih kita untuk sukses. Kita sendirilah
yang menentukan pilihan tersebut!"

Kebanyakan orang akan tertarik sejenak ketika diingatkan akan hal di atas, tapi kemudian berlalu kembali.... Sementara waktu terus berjalan, dan akhirnya tidak pernah ada perubahan dalam hidupnya!

Sangat disayangkan.

Seringkali orang tidak berani melakukan perubahan dalam hidupnya. Dia hanya menunggu, dan menunggu adanya perubahan tersebut.

Menunggu bantuan orang lain, menunggu bantuan teman untuk mendapatkan pekerjaan yang enak, sampai menunggu warisan ;-)

Sekarang logikanya, jika memang hanya dengan menunggu perubahan itu akan datang, maka jumlah orang sukses seharusnya jauh lebih banyak.

Bukankah kenyatannya tidak demikian?

Lalu, jika ingin sukses, apa yang seharusnya kita lakukan?

Ciptakan perubahan!

Jangan selalu menunggu orang lain.

Berikut beberapa tips yang bisa membantu kita untuk menciptakan perubahan:

1. Do your best, whatever happens will be for the best!

Lakukan dan selesaikan semua tugas dan pekerjaan semaksimal mungkin,bukan hanya terus menunggu dan berharap.

Lakukan semuanya dengan tujuan untuk selalu mendapatkan hasil *terbaik* yang bisa Anda capai!

2. Mulai buat jaringan seluas-luasnya.

Dengan banyak mengenal orang,maka pengetahuan kita akan semakin bertambah.

Seseorang yang kelihatannya sederhana bisa jadi menyimpan kedalaman ilmu yang tidak kita duga!

Oleh sebab itu, alangkah bijaknya jika kita menjadikan 'setiap orang adalah guru' dan kehidupan ini adalah universitasnya.

3. Berusahalah selalu untuk bersikap proaktif.

Sikap ini sangat diperlukan jika ingin mendapatkan kesempatan yang lebih luas dan cepat dalam berbagai macam hal!

4. Bersikaplah Fleksibel.

Cobalah untuk memahami suatu hal dari berbagai sudut pandang. Jangan terpaku pada satu cara, yang bisa jadi tidak lagi relevan kita gunakan.

Dengan bersikap fleksibel, wawasan kita akan semakin bertambah.

Satu hal penting yang harus selalu diingat:
Kita-lah yang memutuskan untuk berubah.Kita-lah yang menentukan menjadi sukses, bukan orang lain!

Jika pilihan sukses tidak pernah kita ambil,maka orang lain akan mengambil pilihan tersebut. Dan, kita akhirnya hanya akan menyaksikan kesuksesan mereka, tanpa pernah merasakannya...

Bukankah Anda tidak berharap demikian? Jika memang tidak, tentukan perubahan...
MULAI HARI INI. Jangan terus menunggu! ^_^

Sukses untuk Anda :-)



************** RESOURCE BOX ********************

Belajar Internet Marketing bersama Anne Ahira
Dukung Gerakan Revolusi Bisnis di Indonesia &
Ciptakan PERUBAHAN!

=> http://www.AsianBrain.com

"Nikmati Perbedaan!"

Ditulis oleh: Anne Ahira

Perbedaan adalah anugrah dari Yang Maha Kuasa.

Lihatlah sekeliling kita, indahnya warna-warni bunga,warna-warni satwa, dan segala keragaman lain yang menghiasi dunia.

Bayangkan kalau kita hanya mengenal warna hitam saja! Alangkah gelapnya nya dunia ini! :-)

Tanpa adanya perbedaan dan warna-warni, kita tidak akan merasakan hidup semeriah dan seindah sekarang ini, betul?! :-)

Begitu pun dengan kehidupan, setiap insan selalu berhadapan dengan segala macam perbedaan dan warna-warni kehidupan.

Tapi sayang, tidak semua orang mampu melihat perbedaan sebagai kekayaan. Banyak orang merasa tersiksa karena perbedaan alias mereka tidak mampu menikmatinya.

Berbagai bentuk kejahatan dimulai hanya karena perbedaan. Entah itu perbedaan warna kulit, agama, suku bangsa, prinsip, atau sekadar pendapat.

Sebenarnya, perbedaan bukanlah sesuatu yang bisa dihindari. Setiap orang lahir dengan perbedaan dan keunikannya masing-masing. Mulai dari perbedaan fisik, pola pikir, kesenangan, dan lain-lain.

Tidaklah mungkin segala sesuatu hal sama. Bahkan kesamaan pun sebenarnya tidak selalu menguntungkan.

Coba bayangkan, seandainya semua orang memiliki kemampuan memimpin, lantas siapa yang mau dipimpin? Kalau semua orang menjadi orang tua, siapa yang mau jadi anak? Siapa juga yang akan menerima sedekah, jika semua orang ditakdirkan kaya?

Perbedaan ada bukan untuk dijadikan alat perpecahan. Banyak hal positif yang bisa kita peroleh dengan perbedaan. Namun, tentu saja semua itu harus bersyarat. Nah, syarat apa saja yang harus dipenuhi?

Berikut di antaranya...

1. Cara pandang kita terhadap perbedaan.

Berpikirlah positif dengan mensyukuri adanya perbedaan. Anggaplah perbedaan sebagai kekayaan. Cara pandang yang benar akan melahirkan sikap yang tepat. Ada baiknya kita mencari persamaan terlebih dahulu, sebelum mencari perbedaan.

2. Kelola perbedaan sebaik mungkin.

Musyawarah untuk mencapai kesepakatan adalah jalan yang tepat untuk mengelola perbedaan. Berlatihlah untuk menghargai, menerima, menjalankan dan bertanggungjawab terhadap keputusan bersama, meski berlawanan dengan ide awal kita.

3. Selalu posisikan segala sesuatu pada tempatnya.

Saat bekerja sama dengan orang lain, salurkan potensi, karakter, minat yang berbeda-beda pada posisi 'yang tepat'. Cara ini akan mendorong tercapainya tujuan bersama dan mendukung pengembangan potensi masing-masing individu.

4. Jangan pernah meremehkan orang lain.

Apapun dan bagaimana pun kondisi atau pendapat orang lain, perlakukan mereka selayaknya diri kita ingin diperlakukan. Anggaplah semua orang penting. Mereka memiliki peran tersendiri, yg bisa jadi tidak bisa digantikan oleh orang lain.

5. Jangan menonjolkan diri atau sombong.

Merasa diri paling penting dan lebih baik daripada orang ain *tidak akan* menambah nilai lebih bagi kita. Toh kita tidak bisa hidup tanpa orang lain. Jadilah beton dalam bangunan. Meski tidak nampak, namun sesungguhnya ialah yang menjadi penyangga kokohnya sebuah bangunan. :-)

6. Cari sumber informasi yang terjamin kebenarannya.

Perbedaan bisa muncul karena informasi yang salah. Oleh sebab itu, pastikan sumber informasi kita bisa terjamin dan dapat dipercaya kebenarannya. Lebih bagus lagi jika disertai bukti yang mendukung.

7. Koreksi diri sendiri sebelum menyalahkan orang lain.

Menyalahkan orang lain terus menerus tidak akan banyak membantu kita. Bisa jadi kesalahan sebenarnya terletak pada diri kita. Karenanya, koreksi diri sendiri terlebih dahulu merupakan langkah yang paling bijaksana.

So, berhentilah menyesalkan perbedaan. Karena jika tidak, Anda akan kehilangan sumber kebahagiaan! :-)

Sukses selalu untuk Anda! ^_^




************** RESOURCE BOX ********************

Anne Ahira adalah pendiri Asian Brain Internet Marketing Center,
Asian Brain adalah pusat pendidikan Internet Marketing PERTAMA
dan Terbaik di Indonesia.

Sempatkan Untuk Mendengar!

Ditulis oleh: *Anne Ahira

Banyak orang bisa 'berkata', namun sedikit yang mau 'mendengar'. Padahal jika kita mau kembali ke hukum alam, seharusnya kita harus lebih banyak mendengar daripada
bicara. Bukankah Tuhan memberi kita dua telinga dan hanya satu mulut? :-)

Begitupun jika kita saksikan pada bayi yang baru lahir. Indra pendengaran lebih dulu berfungsi daripada yang lainnya. Lalu, mengapa mendengar lebih susah daripada berbicara?

Meski secara kasat mata mendengar adalah hal yang gampang, namun nyatanya banyak orang yang lebih suka didengarkan daripada mendengarkan.

Mendengarkan merupakan bagian esensi yang menentukan komunikasi efektif. Tanpa kemampuan mendengar yang bagus, biasanya akan muncul banyak masalah. Yang sering terjadi, kita merasa bahwa kitalah yang paling benar. Kita tidak tertarik untuk mendengarkan opini yang berbeda dan hanya tergantung pada cara kita.

Selalu merasa benar, paling kompeten, dan tidak pernah melakukan kesalahan. Duh... malaikat kali! :-)

Jika kita selalu merasa bahwa diri kita benar, dan cara kitalah yang paling tepat, itu berarti kita tidak pernah mendengarkan. Ide dan opini kita sangat sukar untuk diubah jika fakta tidak mendukung keyakinan kita. Bahkan kalau ada fakta pun kita mungkin hanya akan sekedar meliriknya saja.

Mungkin saat ini kita nyaman dengan cara kita, tapi untuk jangka waktu yang panjang, orang-orang akan menolak dan membenci kita. Jika kita mau mulai mendengarkan orang lain, maka suatu saat kita akan menyadari kesalahan kita.

Jawaban untuk mengatasi sifat ini adalah mengasah skill mendengar aktif. Mendengar tidak selalu dengan tutup mulut, tapi juga melibatkan partisipasi aktif kita. Mendengar yang baik bukan berharap datangnya giliran berbicara.

Mendengar adalah komitmen untuk memahami pembicaraan dan perasaan lawan bicara kita. Ini juga sebagai bentuk penghargaan bahwa apa yang orang lain bicarakan adalah
bermanfaat untuk kita. Pada saat yang sama kita juga bisa
mengambil manfaat yang maksimal dari pembicaraan tersebut.

Seni mendengar dapat membangun sebuah relationship. Jika kita melakukannya dengan baik, orang-orang akan tertarik dengan kita dan interaksi kita akan semakin harmonis.

Berikut teknik mudah yang dapat dipraktekkan oleh Anda dengan sangat wajar untuk menjadi seorang pendengar yang baik :

1. Peliharalah kontak mata dengan baik. Ini menunjukkan kepada lawan bicara tentang keterbukaan dan kesungguhan kita

2. Condongkan tubuh ke depan. Ini menunjukkan ketertarikan kita pada topik pembicaraan. Cara ini juga akan mengingatkan kita untuk memiliki sudat pandang yang lain, yaitu tidak hanya fokus pada diri kita.

3. Buat pertanyaan ketika ada hal yang butuh klarifikasi atau ada informasi baru yang perlu kita selidiki dari lawan bicara kita.

4. Buat selingan pembicaraan yang menarik. Hal ini bisa membuat percakapan lebih hidup dan tidak monoton.

5. Cuplik atau ulang beberapa kata yang diucapkan oleh lawan bicara kita. Ini menunjukkan bahwa kita memang mendengarkan dengan baik hingga hapal beberapa cuplikan kata.

6. Buatlah komitmen untuk memahami apa yang ia katakan,meskipun kita tidak suka atau marah. Dari sini kita akan mengetahui nilai-nilai yang diterapkan lawan bicara kita, yang mungkin berbeda dengan nilai yang kita terapkan.

Dengan berusaha untuk memahami, bisa jadi kita akan menemukan sudut pandang, wawasan, persepsi atau kesadaran baru, yang tidak terpikirkan oleh kita sebelumnya.

Seorang pendengar yang baik sebenarnya hampir sama menariknya dengan pembicara yang baik. Jika kita selalu pada pola yang benar untuk jangka waktu tertentu, maka suatu saat kita akan merasakan manfaatnya.

Prosesnya mungkin akan terasa lama dan menjemukan, tapi lama-kelamaan akan terasa berharganya upaya yang telah kita lakukan. Kita akan merasa lebih baik atas diri kita, hubungan kita, teman-teman kita, anak-anak kita, maupun
pekerjaan.

Kesimpulan: jadilah pendengar yang baik, karena sifat ini bisa menjadi kunci untuk mengembangkan pikiran yang positif, dan merupakan salah satu tangga Wiono untuk
mencapai kesuksesan!



************** RESOURCE BOX ********************

* Anne Ahira adalah pendiri Asian Brain Internet Marketing Center,
Asian Brain adalah pusat pendidikan Internet Marketing PERTAMA
dan Terbaik di Indonesia. http://www.AsianBrain.com